Leistungen
- Home
- Leistungen

1. Anlagen- und Apparatebau
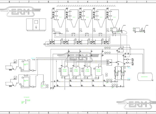
Unsere Leistungen im Anlagen- und Apparatebau umfassen die Entwicklung, Fertigung, Montag und Inbetriebnahme von Anlagen und Anlagenteilen.
Zu unserem Portfolio gehören zum Beispiel:
- - Sirupräume
- - Ausmischanlagen für die Herstellung von Getränken und Fruchtsäften aus Konzentraten
- - Löseanlagen für Feststoffe (z.B. Zuckerlöseanlagen)
- - CIP-Anlagen
- - CIP-Anlagen für Tankfahrzeugreinigung
- - Milchpasteuranlagen nach MVO, Bier-KZE Anlagen mit PE-Regelung und Puffertank
- - KZE-Anlagen für Fruchtsäfte und andere alkoholfreien Getränke
- - Automatisierung und Verrohrung von Bier- bzw. Gärkellern und Filtrationsanlagen
Selbstverständlich fertigen wir für Sie auch auf der Grundlage Ihrer beigestellten Planungsunterlagen.
Projekt-Bilder2. Projektierung & Engineering
Für die Konzeption und Planung von Insellösungen bis hin zu kompletten Anlagen einschließlich deren Automatisierung stehen wir Ihnen mit unseren erfahrenen Ingenieuren zur Verfügung. Hierbei finden selbstverständlich die aktuellsten Vorschriften und Erkenntnisse ihren Eingang.
Die Planungsunterlagen werden mit modernen AUTOCAD - Systemen erstellt.


3. Rohrleitungsmontagen
Wir führen Anlagen- und Rohrleitungsmontagen bundesweit sowie im angrenzenden europäischen Ausland aus. Mit unseren erfahrenen Montageteams, welche ausschließlich aus TÜV-geprüften WIG- Schweißern im Edelstahl- und Schwarzbereich sowie Vorrichtern bestehen, sind wir in der Lage, Aufgabenstellungen nach Isometrien, Skizzen und Festlegungen vor Ort in der erforderlichen Qualität und Quantität auszuführen. Dabei kommt WIG- und Orbitalschweißtechnik der neuesten Generation zum Einsatz. Wir stehen Ihnen u.a. für folgende Aufgabenstellungen mit unserer langjährigen Erfahrung zur Verfügung:
- - Montagen nach Projektunterlagen, welche durch fremde Planungsunternehmen erarbeitet wurden
- - Montagen nach eigenen Projektunterlagen, welche durch unsere Engineeringabteilung erarbeitet wurden
Als zertifiziertes Anlagenbauunternehmen bietet Ihnen ERM Dipl.-Ing. Siesing GmbH & Co. KG professionelle Dienstleistung und kompetente Beratung. Von der Analyse über die Beratung und der Projektabwicklung werden Ihre Projekte unter Einsatz modernster und professioneller Technik von qualifizierten Ingenieuren und Fachpersonal geplant und ausgeführt.
Projekt-Bilder
5. Systeme für Technische Gase, Reinstgase und Sondergase
Die rationelle, dokumentierte Montage von Anlagen und Systemen für Technische Gase, Reinstgase und Sondergase ist eine ausgewogene Kombination verschiedener Dienstleistungen.
In enger Zusammenarbeit mit Ihnen planen wir die Montageaufgaben, den Montageablauf, die Termine sowie die Kosten. Ihre Spezialisten sowie unsere Montagefachleute verfügen über spezialisiertes Fachwissen (Verordnungen, kundenspezifische Vorschriften, DGR, WHG, TRbF, TRAC, BGR 500 / Teil 2 / 2.32 Sauerstoff, etc., Schweiß- und Löttechnik, Gasetechnik, Qualitätskontrolle, Prüfungen). Für jede Aufgabe stellen wir ein eingespieltes Team (Montagekolonne), welches genau weiß, wie was zu erledigen ist.
Durch unseren Montageleiter und unser technisches Personal -ganz gemäß unserer QS-Sicherung in unserer Werkstatt und auf Baustellen- sorgen für die Einhaltung von vereinbarten Terminen. Mit entsprechenden Prüf- und Messeinrichtungen kontrollieren wir die Qualität unserer Arbeit gemäß Ihren Vorgaben, denn wir wissen: Von unserer Qualitätsarbeit hängt die Qualität Ihrer Produkte ab.
Modernste Werkzeuge und Geräte, mit denen sowohl unsere Werkstatt aber auch alle Montagewagen ausgestattet sind, befähigen uns, jede Montageaufgabe zu meistern. Moderne Schweißverfahren, Hartlöten unter Formiergas (alle gängigen Werkstoffe) sowie mobile Montagewagen mit entsprechenden Ausrüstungen sind Aktivposten, die Ihr Risiko mindern, Ihre Kosten reduzieren und Qualitätsarbeit garantieren.
Wir führen für Sie auch Stillstands- und Wartungsarbeiten durch und übernehmen auch Sonderaufgaben im Bereich neuer Technologien.
Projekt-Bilder